AB-68 Ex
Audiobeam® 2NM Fog Signal
The AB-68-Ex Audiobeam® is a multi-emitter array that broadcasts a 360° beam of sound in the horizontal plane to a preselected code. Designed for use on offshore installations in hazardous gas environments.



CHARACTERISTICS
- EMITTER UNITS – The emitters are heavy-duty electromagnetic types with phenolic-coated linen diaphragms in watertight manganese bronze enclosures. They are highly resistant to corrosion and operate at only 25% of rated capacity ensuring the longest service life.
- ELECTRONIC CONTROL UNIT – Tideland’s ECU 800 generates the selected code. In the Main/Secondary arrangement 2 x ECU are used, one duty and one standby. A current monitor will automatically change over from the duty to the standby unit and report an alarm to a central monitor panel. Any 2 driver units are sufficient to meet a ½ mile secondary range requirement.
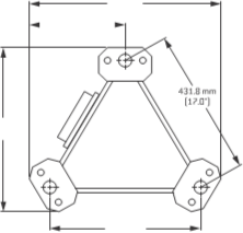
- STRUCTURE – The supporting structure comprises 3 x 316 stainless steel legs able to withstand severe hurricane force storms and harsh marine environments. The fog signal is completely assembled, wired and tested and ready for field connection. When a subsidiary light is required, its bracket can be mounted to one leg of the structure.
- POWER – The advantage of the integral coder means the AB-68Ex can operate in autonomous stand alone mode from a central or dedication local battery. Tideland can supply fully certified Zone 1 (ATEX CAT 2) power supply systems.
